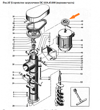
Запасные части для протравителя ПС-10 в Уфе
Представительства по России
Представительства по России
Цель нашей компании —
предложение широкого ассортимента товаров и услуг на постоянно высоком качестве обслуживания.
предложение широкого ассортимента товаров и услуг на постоянно высоком качестве обслуживания.
